More Light Field Micrographs (2008)


Moving the sun around a human hair

April 25, 2008

Light field illuminator design: Marc Levoy and Ian McDowall
Photography, processing, web page: Marc Levoy

As an extension of our work on the light field microscope (LFM), we have inserted a video projector and microlens array into the illumination path of an optical microscope. This allows us to digitally control the spatial and angular distribution of light (i.e. the 4D light field) arriving at the microscope's object plane. We call this new device a light field illuminator (LFI). Our prototype, which combines the LFM and LFI, is pictured at left below. As in our light field microscope, diffraction places a limit on the product of spatial and angular bandwidth in these synthetic light fields. Despite this limit, we can exercise substantial control over the quality of light incident on a specimen. In the experiment summarized at right below, we demonstrate angular control over illumination, using a human hair as the specimen.

Light Field Illuminator
and
Light Field Microscope





(Click on image for larger view.)

The base microscope is a Nikon 80i. The LFI (yellow outline) consists of a DLP-based video projector A and microlens array B. The LFM (red outline) is a Retiga 4000R camera C and second microlens array D. For a detailed description of these components and the optical path, see our Journal of Microscopy paper.

Single human hair under different types of illumination

Brightfield

Quasi-darkfield

Headlamp

Oblique

(Click on each photograph in the bottom row to enlarge it.)

The specimen is a single blond human hair fiber, approximately 100 microns in diameter, resting on a gray marble slab. At top are the patterns displayed on our video projector. After passing through the illumination microlens array (B in the image at left) and microscope objective (hemispherical shape in the middle row of diagrams above), these patterns produce the illumination indicated by the shaded beams in the diagrams. At bottom are photographs captured by a color camera (Canon 5D) using a 10x/0.45NA objective. The imaging microlens array and Retiga camera (C and D in the image at left) were not used in this particular experiment. Thus, the photographs in the bottom row are ordinary micrographs, not light field micrographs.

Examining the photographs in the bottom row above, notice the enhanced visibility of scattering inside the hair fiber under quasi-darkfield illumination (2nd column) as compared to brightfield (1st column). Under headlamp illumination (3rd column) note the specular highlight, whose undulations arise from scales on the fiber surface. The view under oblique illumination (4th column) is particularly interesting. Some of the light reflects from the top surface of the hair fiber, producing a specular highlight, but some of it continues through the fiber, taking on a yellow cast due to selective absorption by the hair pigment. Eventually this light reflects from the back inside surface of the fiber, producing a second highlight (white arrow), which is colored and at a different angle than the first. This accounts for the double highlight characteristic of blond-haired people. For a more detailed explanation of this phenomenon, see Steve Marschner et al., "Light Scattering from Human Hair Fibers", ACM Transactions on Graphics (Proc. SIGGRAPH), Vol. 22, No. 3, pp. 780-791, 2003.



The MP4 movies at left shown the effect of changing the azimuthal direction of oblique illumination, while holding the angle of declination constant at about 25 degrees relative to the optical axis. We call this protocol "moving the sun around", since it simulates the path taken by the sun over a 24-hour period, if you happen to be standing at the north pole on the day of the summer solstice.

The first movie shows the pattern displayed on our video projector, captured in real time. (The brighter dot, which appears to circle the scene counter-clockwise, was added to provide feedback, visible through the microscope, of the current compass direction of the illumination.) The second movie, captured in synchrony with the first, shows the effect of this changing illumination on the single blond human hair. Note how the specular highlights move, lending a sense of solidity to the hair fiber, as well providing shape cues about the scales on its surface.

These movies are designed to be played in an infinite loop, if your movie player supports this functionality.


Functional Neural Imaging of Larval Zebrafish

July 25, 2008 (and July 3, 2009)

Optical assembly: Ruben Portugues and Marc Levoy
Specimen and photography: Ruben Portugues
Processing and web page: Marc Levoy

We have helped several colleagues outside Stanford install light field microscopes in their laboratories. One example is Professor Florian Engert, of the Department of Molecular and Cellular Biology at Harvard University. Prof. Engert studies the behaviorial, physiological, and molecular mechanisms underlying synaptic plasticity. One of his primary model systems is the larval zebrafish. With the help of his postdoctoral student Ruben Portugues, we assembled a light field microscope on a vertical rail system in his laboratory, and we looked at fluorescently labeled zebrafish.

Harvard University
Light Field Microscope


(Click for larger view.)

Photographed July 3, 2009.

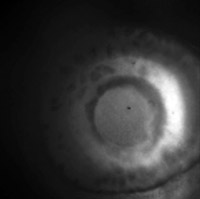
Eye of larval zebrafish


(Click to view MP4 movie.)

Fluorescence image of the eye of a zebrafish 4 days post fertilization. The fish belongs to a trangenic line that expresses green fluorescent protein under the Ath5 promoter. This results in most of the retinal ganglion cells at this age being labeled.

The fish is alive, mounted in low melting point agar on its side, so the view is straight down into his eye, along the axis of the lens, which creates visible optical distortion.

Click here for the full-res light field. Captured July 3, 2009.

Head of larval zebrafish


(Click for MOV or MP4.)

Live larval zebrafish at 6 days post fertilization, embedded in agar. The fish was spinally injected with calcium green dye 24 hours in advance, which results in a subset of all spinal projection neurons being labeled.

Many neurons are individually identifiable, most notably the two large elongated Mauthner (M) neurons (one on each side) whose large axons cross the midline and then project down the spinal cord.

Click here for the full-res light field. Captured July 25, 2008.

Functional neural imaging


(Click for MOV or MP4.)

In this movie the fish was electroshocked every 5 seconds. This causes an increase in fluorescence in the M neurons, which correlates with calcium influx into these neurons and increased neuronal activity. The M neurons are known to mediate the fast escape response: an aversive stimulus on the left side will cause the left M neuron to fire and will result in contraction of the muscles on the right side of the tail: the fish will therefore bend away from the stimulus.

This video light field is too large to download. Captured July 25, 2008.

The picture at left is of a light field microscope assembled in Florian Engert's laboratory in about 2 hours on July 3, 2009. It is almost identical to the device assembled on July 25, 2008. From top to bottom on the vertical rail are a Retiga 4000R B&W camera (A) with a 2K x 2K pixel cooled sensor, two Nikon 50mm f/1.4 lenses (B) placed nose-to-nose to form a 1:1 relay lens system, a custom telescoping housing (C) containing a microlens array (125-micron x 125-micron square lenses, focal length=2.5mm), a tube lens (D), fluorescent illuminator (E) and Olympus 40x/0.8NA water dipping objective (F).

Clicking on the next two images brings up movies recorded live while a user interactively manipulated our real-time light field viewer. The input to the viewer in each case is a single light field micrograph. The rightmost image brings up a movie also recorded live while a user interactively manipulated our light field viewer, but in this case the viewer is playing back a light field video. The video was recorded from the specimen at 16 frames per second with 2 x 2 pixel binning. Each frame in this video is a complete 4D light field, recorded on the Retiga's sensor as a 2D array of circular subimages. Hence, this is a 5D dataset. As a result, while playing back the video the user has full control over viewing direction and focus. Indeed, near the end of the movie you can see the user manipulating the viewpoint interactively.

The manipulation of viewpoint in this last movie shows an advantage of light field microscopy over scanning microscopes for capturing transient events. On each frame of the original video, an entire light field was captured, not a single view. From each light field, a focal stack or volume can be reconstructed as described in our SIGGRAPH 2006 paper. Hence, we can construct a time-varying volume dataset. Each frame in such a dataset would represent the 3D structure of the transient event at a single instant in time, without the mid-frame shearing present in data captured with scanning confocal microscopes.


© 2009 Marc Levoy
Last update: July 13, 2009 01:05:54 PM